گیره ایران پتک  120 رومیزی KA1210
گیره رومیزی ایران پتک  120 و مدل KA1210
گیره رومیزی  120 مدل KA1210
گیره ایران پتک  رومیزی مدل KA1210
گیره ایران پتک  120 مدل KA1210
گیره ایران پتک  120 رومیزی KA1210
گیره رومیزی ایران پتک  120 و مدل KA1210
گیره رومیزی  120 مدل KA1210
گیره ایران پتک  رومیزی مدل KA1210
گیره ایران پتک  120 مدل KA1210

گیره رومیزی ایران پتک سایز 120 مدل KA1210

گیره ایران پتک KA1210

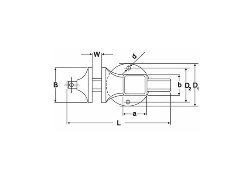
  • طول گیره 320 میلیمتر
  • ساخت ایران با کیفیت بالا
  • مقاوم در برابر فشار و ضربه
  • سایز عرض دهانه 130 میلیمتر
  • حداکثر ظرفیت گیرایی 120 میلیمتر
  • حداکثر طول پایه اتصال 30 میلیمتر
  • وزن 10 کیلوگرم و با جنس آلومینیوم
  • مناسب کار های ظریف و غیر صنعتی
ادامه مطلبکمتر نشان دادن
افزودن به مقایسه0
توضیحات

معرفی گیره رو میزی 120 مدل KA1210

گیره رومیزی مدل KA1210 ایران پتک ، یک ابزار حرفه‌ای و بادوام ساخت ایران است که برای انجام کارهای ظریف و غیرصنعتی کاربرد دارد . این گیره دستی با بدنه‌ای از فولاد کربنی فورج‌شده و فک‌های آج‌دار، توانایی نگهداری محکم قطعات را دارد. همچنین به لطف خط‌کش مدرج و میل پیچ با پروفیل ذوزنقه‌ای، دقت و سرعت بالایی را در اجرای کار فراهم می‌کند. اگر قصد خرید گیره‌ای با کیفیت بالا و قیمت مقرون‌به‌صرفه دارید، مدل KA1210 می‌تواند گزینه‌ای عالی برای پروژه‌های جواهرسازی و تعمیرات خانگی باشد. این گیره کوچک که وزن آن 10 کیلوگرم است، با طراحی ارگونومیک خود نسبت به سایر مدل‌ها انتخابی مناسب برای حرفه‌ای‌ها و افراد مبتدی محسوب می‌شود.

مشخصات فنی گیره ایران پتک 120 مدل KA1210

  1. جنس: فولاد کربنی تولیدشده به روش فورج  

  2. طول گیره: 320 میلی‌متر  

  3. وزن: 10 کیلوگرم  

  4. عرض دهانه: 130 میلی‌متر  

  5. حداکثر ظرفیت گیرایی: 120 میلی‌متر  

  6. حداکثر طول پایه اتصال: 30 میلی‌متر  

  7. ویژگی‌ها: فک آج‌دار، خط‌کش مدرج، مقاومت بالا در برابر فشار و ضربه  

  8. کاربرد: مناسب برای کارهای ظریف و غیرصنعتی  

سوالات متداول (FAQ) گیره رومیزی KA1210

پرسش: گیره رومیزی مدل KA1210 چیست؟  

پاسخ: گیره رومیزی KA1210 یا (گیره رو میزی KA 1210) یک ابزار ایرانی قابل نصب بر لبه میز، برای نگه‌داری قطعات در کارهای ظریف مانند مدل‌سازی و تعمیرات طراحی شده است.  

پرسش: جنس این گیره رومیزی KA1210  چیست؟  

پاسخ: بدنه گیره رومیزی کوچک KA1210 از فولاد کربنی ساخته شده که به روش فورج تولید شده و استحکام بالایی دارد.  

پرسش: دلیلی که خرید گیره KA1210 را ضروری میسازد چیست؟  

پاسخ: از جمله دلایل خرید گیره KA1210 کیفیت ساخت بالا، فک‌های آج‌دار مناسب و وجود خط‌کش مدرج، این مدل با قیمت مناسب، جزو بهترین انتخاب‌ها در میان سایر انواع گیره‌ها محسوب می‌شود.  

راهنمای مشتریان

گیره بغل میز برند ایران پتک
مقایسه تمام محصولات گیره رومیزی
خرید انواع گیره بغل میزی با ارزان ترین قیمت رستگار صنعت

برای اطلاع از مناسب ترین قیمت گیره یا خرید گیره رومیزی هر چه سریعتر اقدام کنید تا ابزار حرفه‌ای مورد نیاز خود را داشته باشید. حتی اگر به خرید گیره دست دوم فکر می‌کنید، کیفیت خدمات رسانی رستگار صنعت شما را شگفت زده خواهد کرد.   

ادامه مطلبکمتر نشان دادن
جزئیات محصول

مشخصات

نام
گیره رومیزی ایران پتک 120
ظرفیت گیرایی
120 میلیمتر
سیستم کارکرد
دستی
آلیاژ ساخته شده
فولاد کربنی
کشور سازنده
ایران
وزن
10 کیلوگرم
نوع گیره
گیره رومیزی
نظرات

شما هم می‌توانید در مورد این کالا نظر بدهید.

برای ثبت نظر، لازم است ابتدا وارد حساب کاربری خود شوید.

0.0 میانگین امتیازات 0 نظر

هنوز نظری وجود ندارد.

×
پرسش و پاسخ

شما هم می‌توانید پرسش خود را در مورد این کالا مطرح کنید . برای ثبت پرسش، لازم است ابتدا وارد حساب کاربری خود شوید.

ورود و یا ثبت نام

هنوز پرسشی وجود ندارد.

محصولات مرتبط
12,650,000 تومان
گیره زیر دریل مشخصات : این گیره زیر دریلی مناسب جهت سوراخکاری و رزوه زنی و براده برداری و نگه داشتن کارهای معرق کاری می باشد. ظرفیت گیرایی : 100 میلیمتر سایز عرض دهانه : 100 میلیمتر ساخته شده از چدن دانه فشرده با...
تماس بگیرید
گیره زیر دریلی گروز مشخصات : این گیره زیر دریلی مناسب جهت سوراخکاری و رزوه زنی و براده برداری و نگه داشتن کارهای معرق کاری می باشد. ظرفیت کارگیر : 120 میلیمتر سایز عرض فک : 125 میلیمتر ساخته شده از چدن با فک های...
تماس بگیرید
گیره رومیزی مشخصات : از گیره رومیزی براي بستن قطعات مختلف و به منظور انجام کار روي آنها استفاده می شود. سایز : 4 اینچ عرض دهانه : 100 میلیمتر فک های ساخته شده از استیل دارای سندان حداکثر باز شدن دهانه : 100 میلیمتر 2...
تماس بگیرید
سندان ایران پتک مشخصات سندان ابزاری فلزی است که آهنگران، مسگران و نعلبندان اشیاء را بر آن می‌کوبند یا آهن‌ پاره‌ ها را با پتک بر روی آن صاف می‌کنند. طول کلی : 570 میلیمتر سایز : 50 کیلوگرم ابعاد دقیق طبق عکس آخر :...
تماس بگیرید
پتک فولادی ایران پتک مشخصات : پُتک دارای سر فلزی بزرگ و صافی است که به یک دسته متصل است و به دلیل اندازه ی سر بزرگتر, پتک می‌تواند نیروی بیشتری از چکش وارد نماید. دسته برای راحتی در کار ساخته شده از چوب زبان گنجشک...
تماس بگیرید
چکش لاستیکی ایران پتک مشخصات : از چکش برای کوبیدن میخ، آهنگری فلزات، ضربه زدن به انواع قلم و همچنین شکستن اجسام مختلف و ... استفاده می شود. دسته برای راحتی در کار ساخته شده از چوب زبان گنجشک وزنه‌ ها ساخته شده از...
تماس بگیرید
پتک دسته چوبی NWS مشخصات : پُتک دارای سر فلزی بزرگ و صافی است که به یک دسته متصل است و به دلیل اندازه ی سر بزرگتر, پتک می‌تواند نیروی بیشتری از چکش وارد نماید. دسته برای راحی در کار ساخته شده از چوب انتهای دسته رنگ...

فهرست