قیمت ترولی جرثقیل,خرید ترولی جرثقیل
ترولی جرثقیل سقفی چیست,جرثقیل ترولی
قیمت ترولی جرثقیل,خرید ترولی جرثقیل
ترولی جرثقیل سقفی چیست,جرثقیل ترولی

ترولی برقی جرثقیل 2 تن RSCO مدل TFTP2000

ترولی برقی جرثقیل رستگار صنعت

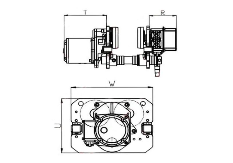
مشخصات :

  • از ترولی برقی برای نصب جرثقیل های تک فاز بر روی تیر آهن های H و حرکت در طول تیر آهن استفاده می شود.
  • سیستم کارکرد به صورت برقی
  • ظرفیت جابجایی : 2 تن
  • کیفیت ساخت بالا
  • سرعت : 11/21 متر در دقیقه
  • وزن : 50 کیلوگرم
  • ساخته شده از فولاد با مقاومت بالا
  • کشور سازنده : چین درجه 1
  • خرید ترولی برقی جرثقیل با مناسب ترین قیمت در سایت رستگار صنعت
  • برای دریافت اطلاعات بیشتر و قیمت ترولی جرثقیل با دفتر فروش رستگار صنعت تماس بگیرید.
ادامه مطلبکمتر نشان دادن
افزودن به مقایسه0
ناموجود
متاسفانه این کالا در حال حاضر موجود نیست. می‌توانید از محصولات مشابه دیدن نموده یا با واحد فروش تماس بگیرید.
موجود شد خبرم کن
توضیحات

ویژگی‌ های ترولی برقی جرثقیل 2 تن RSCo مدل TFTP2000:

ظرفیت 2 تن: ترولی مدل TFTP2000 برای جا به جایی بار هایی تا 2 تن طراحی شده است که این ویژگی آن را برای استفاده در صنایع مختلف، از جمله صنایع سنگین و ساخت و ساز، مناسب می‌ کند.

سیستم برقی: این ترولی از یک موتور برقی برای جا به جایی بار ها استفاده می‌ کند که باعث تسهیل حرکت بار به‌ ویژه در فواصل طولانی یا شرایطی که نیاز به جابه جایی مداوم است، می‌ شود.

طراحی مقاوم و مستحکم: ترولی RSCo مدل TFTP2000 با استفاده از مواد باکیفیت و طراحی محکم ساخته شده که در برابر فشار های سنگین و استفاده مکرر مقاوم است.

حرکت روان و بدون اصطکاک: سیستم برقی ترولی باعث حرکت روان و بدون اصطکاک بار ها می‌ شود که این ویژگی کمک می‌ کند تا جا به جایی به‌ صورت دقیق و بدون مشکل انجام شود.

قابلیت تنظیم سرعت: این ترولی دارای قابلیت تنظیم سرعت است که این امکان را می‌ دهد که بار ها با سرعت دلخواه و با دقت بالا جا به جا شوند.

کاربری آسان: ترولی TFTP2000 به‌ گونه‌ ای طراحی شده است که کاربر می‌ تواند به‌ راحتی آن را کنترل کند. با استفاده از کنترلر های ساده، می‌ توان به راحتی حرکت بار را کنترل و تنظیم کرد.

مناسب برای استفاده در محیط‌ های صنعتی مختلف: ترولی برقی RSCo مدل TFTP2000 برای استفاده در کارگاه‌ ها، کارخانه‌ ها، انبار ها، پروژه‌ های ساختمانی و دیگر محیط‌ های صنعتی طراحی شده و می‌ تواند در شرایط کاری مختلف به‌ خوبی عمل کند.

ایمنی بالا: طراحی این ترولی شامل ویژگی‌ های ایمنی مختلفی است تا از بروز حوادث جلوگیری کند. از جمله این ویژگی‌ ها می‌ توان به سیستم‌ های حفاظتی برای جلوگیری از اضافه‌ بار و اتصالات ایمن اشاره کرد.

صرفه‌ جویی در زمان و نیروی انسانی: به‌ خاطر سیستم برقی، نیازی به نیروی انسانی زیاد برای جابجایی بار نیست، و این امر باعث صرفه‌ جویی در زمان و هزینه‌ های نیروی کار می‌ شود.

ادامه مطلبکمتر نشان دادن
جزئیات محصول

مشخصات

نام
ریل جرثقیل رستگار صنعت
خدمات پس از فروش
دارد
سیستم کارکرد
برقی
سرعت
11/21 متر در دقیقه
گارانتی
تست اولیه
امتیاز کیفیت توسط رستگار صنعت از 0 تا 100
65
کشور سازنده
چین درجه 1
وزن
50 کیلوگرم
ظرفیت حمل
2 تن
نظرات

شما هم می‌توانید در مورد این کالا نظر بدهید.

برای ثبت نظر، لازم است ابتدا وارد حساب کاربری خود شوید.

0.0 میانگین امتیازات 0 نظر

هنوز نظری وجود ندارد.

×
پرسش و پاسخ

شما هم می‌توانید پرسش خود را در مورد این کالا مطرح کنید . برای ثبت پرسش، لازم است ابتدا وارد حساب کاربری خود شوید.

ورود و یا ثبت نام

هنوز پرسشی وجود ندارد.

محصولات مرتبط
100,000 تومان
ترولی جرثقیل آروا مشخصات : از ترولی جرثقیل در مکان هایی که تعداد دفعات جا به جایی و بارگیری کم است استفاده می شود. عرض : 11.5 و ارتفاعش 15.5 اینچ کیفیت ساخت بالا جنس بدنه : فولاد با مقاومت بالا دارای حرکت افقی قابلیت...
تماس بگیرید
ترول دستی زنجیری مشخصات : از ترولی جرثقیل در مکان هایی که تعداد دفعات جا به جایی و بارگیری کم است استفاده می شود. ظرفیت تحمل: 1 تن دارای چرخ های روانکاری و مجهز به بلبرینگ برای عمر طولانی تر جنس بدنه از فولاد با...
تماس بگیرید
جرثقیل 3 تن هیوندای  به صورت سه فاز توان کارکرد : 3 تن کیفیت ساخت بالا فرکانس : 50 هرتز کشور سازنده : کره وزن : 215 کیلوگرم ارتفاع بالابری : 6 متر قدرت موتور : 3 کیلو وات سیستم کارکرد به صورت برقی سرعت بالابری : 4.4...
تماس بگیرید
جرثقیل برقی 2 تن ولتاژ : 220 ولت کیفیت ساخت بالا قدرت : 3500 وات کشور سازنده : چین ارتفاع بالا بردن : 60 متر سیستم کارکرد به صورت برقی ظرفیت بالا بردن : 2000 کیلوگرم سرعت دوران : دو سرعته (14 متر | 7 متر بر دقیقه) 
6,080,000 تومان
ترولی دستی جرثقیل مشخصات : از جرثقیل دستی برای حمل و نقل کالا و لوازم سنگین در ابعاد کوچک استفاده می شود. به صورت ترولی ساده ظرفیت : 5 تن کیفیت ساخت بالا مناسب برای محیط های کارگاهی و سوله ها جنس بدنه از فولاد با...
تماس بگیرید
ترولی دستی جرثقیل مشخصات : از جرثقیل دستی برای حمل و نقل کالا و لوازم سنگین ابعاد کوچک و مختلف استفاده می شود. توان: 1 تن ارتفاع بالابر: 3 متر جنس بدنه از فولاد با استحکام بالا کیفیت ساخت بالا مناسب برای محیط های...
تماس بگیرید
جرثقیل دستی 1.5 تن وزن: 15.8 kg ساخت کشور چین کیفیت ساخت بالا جنس بدنه از فولاد توان موتور: 1.5 تن قطر زنجیر بار: 8 میلی‌متر طول زنجیر: 368 میلی متر مناسب برای محیط های کارگاهی و سوله ها جنس زنجیر از فولاد با استقامت...

فهرست